Голубая микросборка АП997 с двумя точками, применявшаяся в некоторых советских контроллерах жестких дисков MFM.    Контроллер ЕС1842.Е015

Суть проблемы

Любители некоторых советских компьютеров, в частности ЕС-1842, ЕС-1851 сталкиваются с проблемой ремонта контроллеров жесткого диска MFM, в которых установлена голубая (иногда белая) микросборка АП997 с двумя точками, которую нелегко найти и на которую отсутствует какая-либо документация.
 
Речь идет о вот такой микросборке (второе фото с сайта 155la3.ru):

      

Прототип

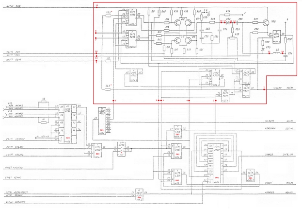
Нам с коллегой удалось успешно заменить неисправную АП997 схемой, собранной на небольшой отдельной плате, после чего работоспособность контроллера восстановилась. За основу нами была взята схема фазового детектора, ГУН и их обвязки, являющаяся частью контроллеров ЕС1841.0004, ЕС1841.0010, ЕС1841.0018. Ниже приведена соответствующая часть схемы контроллера ЕС1841.0010. Красной линией обведены элементы, находящиеся на нашей плате, заменяющей микросборку АП997. Красные обозначения элементов соответствуют позиционным обозначениям аналогичных элементов на плате ЕС1842.Е015.

 
Собранный на коленке прототип выглядит так:

      

Уменьшение числа корпусов, окончательная схема

После успешного испытания был проведен рефакторинг схемы с целью уменьшения числа корпусов микросхем. Окончательная и проверенная схема замены микросборки АП997 приведена наже. Обращаем ваше внимание на то, что инвертор DD6'B играет важную роль - используется для создания небольшой задержки, и его исключение (с подключением линии сброса триггеров DD1' напрямую к выводу 5 триггера DD4'A) приводит к неработоспособности схемы.

Настройка, Диагностика

Для корректной настройки схемы достаточно при отключенном диске (или при отсутствии обращений к диску) с помощью подстроечного резистора R8 (расположен на адаптере вблизи микросборки - см. схему адаптера) выставить на соединенных вместе выводах 14 и 17 микросборки напряжение 0 Вольт +- 50 мВ относительно земли (в крайнем случае +- 100мВ, если больше - в зависмости от экземпляра используемого диска могут возникать ошибки чтения). Это напряжение можно измерять не на выводах микросборки, а на предусмотренных для этой цели контрольных контактах 14 и 15 на плате контроллера (см. его схему).
При этом на выводе 9 микросборки (контролный контакт 16 на плате контроллера) должны быть импульсы с частотой 10 МГц и скважностью 2 (меандр).
ВАЖНО: нужно контролировать оба параметра - и напряжение 0 Вольт и частоту 10 МГц, потому что напряжение 0 Вольт появляется в нескольких положениях подстроечного резистора R8, нужно найти именно то положение, при котором частота будет 10МГц как можно точнее.
 
Для диагностики фазового компаратора можно использовать выводы 7 и 8 микросборки, поочередно (не вместе) замыкая их на землю. При замыкании контакта 7 на землю (контакт 8 при этом должен быть отключен, "висеть в воздухе") напряжение на контрольных контактах 14 и 15 а также частота на контрольном контакте 16 должны отклоняться в одну сторону, а при замыкании на землю контакта 8 (контакт 7 при этом должен быть отключен, "висеть в воздухе") - в другую сторону.

Контроллер ЕС1842.Е015

Полная схема контроллера ЕС1842.Е015 находится здесь
Дизассемблированная прошивка контроллера ЕС1842.Е015 находится здесь. В дизассемблированной прошивке еще остались не до конца ясные места, надеюсь со временем доделаю.
 

Внутри оригинальной сборки

После опубликования этого материала в сети были выложены фотографии оригальной микросборки в прозрачном корпусе (уникальный экземпляр судя по всему).
Это позволилило составить схему оригинальной микросборки с расположением элементов внутри микросборки с нумерацией выводов - см. ниже.
Наш аналог - то же самое с точки зрения логики, мы лишь сэкономили один корпус по сравнению с оригиналом.
 
 

Схема в контексте контроллера ЕС1841.0010 для понимания связей:

 
 

Схема только самой сборки:

 
 

Расположение элементов внутри микросборки с нумерацией выводов на обоих сторонах:

 

Подобные материалы:

Несколько слов к различным типам адаптеров MFM HDD на базе чипов Xebec 3198-0025, 3198-0045, 3198-0049 и их советского функционального аналога БМК 601ВЖ2-0095 (позднее КМ1582ВЖ2-0095)

 
 

С уважением,

Atomic, [email protected]

Gleb, [email protected]

02.02.2023, Прага